DN15-50mm, threads end
Multi-jet
Single-jet
Rotary Piston
Bypass
DN50-500, Flanged end
Accessories
 
Single-jet
 
CD97TAR-15E/A (plastic body)
 

APPLICATION: MEASURING THE TOTAL VOLUME OF COLD POTABLE WATER PASSING THROUGH THE METER,IT'S SUITABLE FOR DOMESTIC USE.
WORKING CONDITION:
THE MAX.ADMISSIBLE WATER PRESSURE: 1.6MPa.
WATER TEMPERATURE: UP TO 50℃
SPECIALITY:
*LARGE MEASURING RANGE, HIGH FLOW ACCURACY.
*STEADY ERROR CURVE.
*PLASTIC BODY AND LONG SERVICE LIFE
*RELIABLE OPERATION.
*MAGNETIC SHIELD PROTECTION.
*NEGLIGIBLE HEAD LOSS AT WORKING FLOW – RATES.
*SEALED REGISTER WITHOUT ANY CONDENSATION PROBLEM.

Maximum permissible error:
Between qt (included) and qs is ±2%;
Between qmin and qt (excluded) is ±5%.
NOTE: The technical data conform to ISO4064 standard, class B.
FLOW-ERROR CURVE

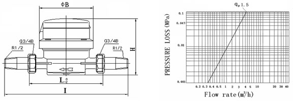
SPECIFICATION AND OVERALL DIMENSIONS
Description

Unit

Hydraulic data and dimensions

Nominal size

mm

15

inch

1/2

Overload flow-rate (qs)

m3/h

3

Permanent flow-rate (qp)

m3/h

1.5

Transitional flow-rate (qt)

l/h

120

Minimum flow-rate (qmin)

l/h

30

Min. reading

l

0.05

Max. reading

m3

99999

Nominal pressure

MPa

1.6

ΔP at the qs

MPa

0.08

L

mm

110

I

mm

190

H

mm

86

B

mm

81

Weight

Without connections

Kg

0.32

With connections

0.49


OVERALL DIMENSIONS                                                                  PRESSURE LOSS CURVE

 

  All rights reserved: Lianyungang Lianli Water Meter Co.,Ltd. Tel: 0086-518-82341113 Fax: 0086-518-82340789
Add: Lianyungang economic and technological development zone, jiangsu, china
P.C: 222047 E-mail : lianli@zjser.com Support: Sooba.cn 
网站地图 www.17c-www17c.com-17.com.羞羞视频-17c.com在线观看完整版免费