DN15-50mm, threads end
Multi-jet
Single-jet
Rotary Piston
Bypass
DN50-500, Flanged end
Accessories
 
Multi-jet
 
DS97TAR/LH-15~50E (with pulser, postposition)
 

APPLICATION:MEASURING THE TOTAL VOLUME OF COLD POTABLE WATER PASSING THROUGH THE METER
SPECIALITY
* ADVANTAGE OF BURGLARPROOF
* THE SPECIAL STRUCTURE OF THE BURGLARPROOF CAP AND THE BURGLARPROOF TIGHTING RING
* HIGH ACCURACY AND LARGE MEASURING RANGE
* NEGLIGIBLE HEAD LOSS AT WORKING FLOW-RATE
* MAGNET DRIVE WITH ANTI-MAGNETIC
* HIGH-QUALITY MATERIAL WITH LONG LIFE OF SERVICE
* RELIABLE IN DATA COLLECTING , HERMETICALLY SEALED REGISTER
* REMOTE READING SYSTEM, RELIABLE IN DATA COLLECTING.
* ELECTRIC UNIT WITH DOUBLE REED SWITCHE SIGNALS SENSOR SIGNAL STABILITY AND ANTI-MAGNETIC.
WORKING CONDITION:
* THE MAX. ADMISSIBLE WATER PRESSURE: 1.6MPA
* WATER TEMPERATURE: WATER TEMP. UP TO 50℃

Maximum permissible error:
Between qt (included) and qs is ±2%;
Between qmin and qt (excluded) is ±5%.
NOTE: The technical data conform to ISO4064 standard, class B.
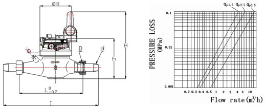
FLOW-ERROR CURVE

SPECIFICATION AND OVERAL DIMENSIONS
Description
Unit
Hydraulic data and dimensions
Nominal size
mm

DN15

DN20

DN25

inch

1/2

3/4

1

Overload flow-rate (qs)
m3/h

3

5

7

Permanent flow-rate (qp)
m3/h

1.5

2.5

3.5

Transitional flow-rate (qt)
l/h

120

200

280

Minimum flow-rate (qmin)
l/h

30

50

70

Min. reading
l

0.05

0.05

0.05

Max. reading
m3

99999.9999

99999.9999

99999.9999

Max. working pressure
MPa

1.6

1.6

1.6

ΔPmax at qs
MPa

≤0.1

≤0.1

≤0.1

L
mm

165

190

190

260

G
inch

G 3/4B

G1B

G1 1/4B

I
mm

245

270

290

380

B
mm

81

81

94

h
mm

103

104

119

H
mm

171

172

189

Weight
Without connections
Kg

0.986

1.15

1.7

with connections
Kg

1.017

1.181

1.731


OVERALL DIMENSIONS                                                      PRESSURE LOSS CURVE

 

  All rights reserved: Lianyungang Lianli Water Meter Co.,Ltd. Tel: 0086-518-82341113 Fax: 0086-518-82340789
Add: Lianyungang economic and technological development zone, jiangsu, china
P.C: 222047 E-mail : lianli@zjser.com Support: Sooba.cn 
网站地图 www.17c-www17c.com-17.com.羞羞视频-17c.com在线观看完整版免费