DN15-50mm, threads end
Multi-jet
Single-jet
Rotary Piston
Bypass
DN50-500, Flanged end
Accessories
 
Multi-jet
 
DS06TAR-15~20E (Class C)
 

APPLICATION: MEASURING THE TOTAL VOLUME OF COLD POTABLE WATER PASSING THROUGH THE METER,IT'S SUITABLE FOR DOMESTIC USE.
 
OPERATING CONDITION:
THE MAX.ADMISSIBLE WATER PRESSURE: 1.6MPa.
WATER TEMP.: UP TO 50℃
 
SPECIALITY:
* LARGE MEASURING RANGE, HIGH FLOW ACCURACY.
* STEADY ERROR CURVE.
* LONG LIFE OF SERVICE
* RELIABLE OPERATION.
* MAGNETIC SHIELD PROTECTION.
* NEGLIGIBLE HEAD LOSS AT WORKING FLOW–RATES.
* SEALED & VACCUMIZED REGISTER WITHOUT ANY CONDENSATION PROBLEM.
Maximum permissible error:
Between qt (included) and qs is ±2%;
Between qmin and qt (excluded) is ±5%.
NOTE: The technical data conform to ISO4064 standard, class C.
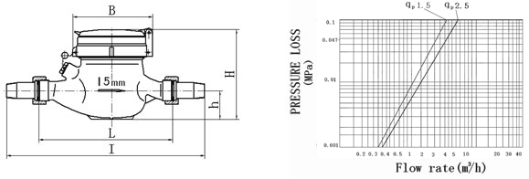
FLOW-ERROR CURVE

SPECIFICATION AND OVERALL DIMENSIONS
Description
Unit

Hydraulic data and dimensions

Nominal size
mm

15

20

inch

1/2

3/4

Overload flow-rate (qs)
m3/h

3

5

Permanent flow-rate (qp)
m3/h

1.5

2.5

Transitional flow-rate (qt)
l/h

22.5

37.5

Minimum flow-rate (qmin)
l/h

15

25

Min. reading
l

0.05

0.05

Max. reading
m3

99999

99999

Nominal pressure
MPa

1.6

1.6

ΔP at the qs
MPa

≤0.10

≤0.10

L
mm

165

190

I
mm

245

292

H
mm

112

112

h
mm

35.5

35.5

B
mm

98

98

Weight
Without connections
Kg

1.26

1. 44

With connections

1.43

1.70


                   OVERALL DIMENSIONS                                                                      PRESSURE LOSS CURVE


 

  All rights reserved: Lianyungang Lianli Water Meter Co.,Ltd. Tel: 0086-518-82341113 Fax: 0086-518-82340789
Add: Lianyungang economic and technological development zone, jiangsu, china
P.C: 222047 E-mail : lianli@zjser.com Support: Sooba.cn 
网站地图 www.17c-www17c.com-17.com.羞羞视频-17c.com在线观看完整版免费