多流束無磁流(liú)量傳感器DS97TAR(R)-(15~50)E/S
一、 概述
DS97TAR多流束無磁熱量表流量計(jì)是本公司適應國內熱量表市場需求開發的新型熱量表流量計。用於測量(liàng)及顯示水流經熱交換係統所釋放或吸收熱量的儀表。其性(xìng)能穩(wěn)定可靠、計量精度高、使用壽命長,其耐(nài)壓強度、測量誤差、壓力損失等指標完全符合行業標準CJ128《熱量表》的(de)規定,它已被國內多家熱量表生產企業使用(yòng),正成為越來越多的熱量表研發、生產單位的優選配套(tào)產品。
二(èr)、 原理和材質
DS97TAR多流束無磁熱量表流量計的結構如圖(tú),其(qí)工(gōng)作原理(lǐ)是:熱水進入流量計,經進水導向孔衝擊計量腔內的葉輪旋轉,再經出(chū)水導向孔流出流量計(jì)。葉輪上麵嵌(qiàn)有(yǒu)不鏽鋼膜片,隨葉輪旋轉(zhuǎn),在隔板上端接近不鏽鋼膜片處可裝電感類傳感器,接受葉輪旋轉的周期信(xìn)號。
DS97TAR多流束無磁熱量表流量計的殼(ké)體采用(yòng)優質黃銅,經(jīng)鑄造、數控機床和組合機床加工,機械強度好、尺寸精度穩定一致,塑料零件選用進口的高強度耐熱工程塑料,軸承部件采用硬質合金軸和人造(zào)寶石元件,密封(fēng)件采用優質耐熱(rè)材料。因此,該流量計完全能夠適應國內供(gòng)熱係統的(de)惡劣工作環境。
三、 結構特點
DS97TAR多流束(shù)無磁熱量表流量計具有如(rú)下特點:
1、 發訊元件采用非磁性材料的(de)膜片,擯(bìn)棄了硬磁材料,避免(miǎn)了磁性元(yuán)件(jiàn)吸附管道內雜(zá)物而影響精度(dù)的問題和(hé)易受外磁場幹(gàn)擾的問題。
2、 壓(yā)力損(sǔn)失小
3、 結構簡單、精確(què)度高
4、 采用優質耐蝕(shí)材料,使用壽命長。
注:應客戶需要,本公(gōng)司可配套(tào)提供低功耗的無磁流量傳感器模塊。
四、 技術特性
水表型號、外(wài)形尺寸(cùn)及性能參數
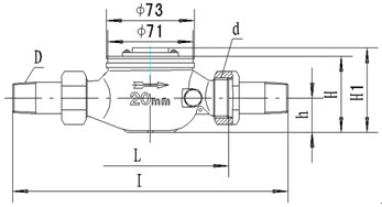
a) 外形尺寸
圖一

圖二

圖三
|
產品型號
|
I
|
L
|
H
|
h
|
連接螺紋(inch)
|
外形圖
|
|
mm
|
D
|
d
|
|
|
DS97TAR(R)-15E/S
|
210
|
130
|
70
|
28.2
|
G3/4B
|
R1/2
|
圖一
|
|
DS97TAR(R)-20E/S
|
230
|
130
|
70
|
28.2
|
G1B
|
R3/4
|
圖一
|
|
DS97TAR(R)-25E/S
|
250
|
130
|
70
|
28.2
|
G1-1/4B
|
R1
|
圖一
|
|
DS97TAR(R)-32E/S(QN=3.5)
|
250
|
130
|
70
|
28.2
|
G1-1/2B
|
R1-1/4
|
圖一
|
|
DS97TAR(R)-32E/S
|
280
|
160
|
92
|
43
|
G1-1/2B
|
R1-1/4
|
圖二
|
|
DS97TAR(R)- 40E/S(鐵殼)
|
340
|
200
|
126
|
58
|
G2B
|
R1-1/2
|
圖二
|
|
|
|
產品型號
|
長
|
法蘭外(wài)徑
|
螺栓孔中心直徑
|
單邊螺栓數與孔直徑
|
|
|
DS97TAR(R)-50E/S法蘭
|
280
|
φ165
|
φ125
|
4-φ18
|
圖三
|
b) 性能參數
|
公稱口徑
(mm)
|
過載流量(m3/h)
|
公稱流量(m3/h)
|
分界流量(l/h)
|
最小流(liú)量(l/h)
|
傳動比(n/l)
|
|
DS97TAR(R)-15E/S
|
3
|
1.5
|
150
|
30
|
24
|
|
DS97TAR(R)-20E/S
|
5
|
2.5
|
250
|
50
|
24
|
|
DS97TAR(R)-25E/S
|
7
|
3.5
|
350
|
70
|
18
|
|
DS97TAR(R)-32E/S(QN=3.5)
|
7
|
3.5
|
350
|
70
|
18
|
|
DS97TAR(R)-32E/S
|
12
|
6
|
600
|
120
|
12.4
|
|
DS97TAR(R)- 40E/S(鐵(tiě)殼)
|
20
|
10
|
1000
|
200
|
4.07
|
|
DS97TAR(R)-50E/S法蘭(lán)
|
30
|
15
|
1500
|
300
|
4.33
|
注:傳(chuán)動比(n/l)為每升水葉輪轉的圈數。
2. 流量測量誤差
a.從包括最小流量(qmin) 至不包括分界流量(0.1qp)的低區為±5%
b.從包括分界(jiè)流量(0.1qp)至包括過載流(liú)量(qs)的(de)高區為(wéi)±3%
3. 工作壓力與溫度
P≤1.6Mpa T=4~95℃
五 、安裝與使用
1、 選擇熱(rè)量表應以管道流量等於或小於水表常用流量為依據,不能單純以管(guǎn)道口徑(jìng)確定熱量表(biǎo)口徑;
2、 流量計必須(xū)水平安裝,保持殼(ké)體上箭頭方(fāng)向(xiàng)與水流方向相同(tóng);
3、 新裝管道(dào)務必將管道(dào)內的石子、泥沙、麻絲等(děng)雜物(wù)衝洗幹(gàn)淨再裝流量計,以免造成流量計故障;
4、 流量(liàng)計不應直(zhí)接與管道連接,流量計與管道之間應有管接頭、連接螺母、接管墊圈(quān)等附件。拆裝流量計(jì)時,切不可用力硬扳,以免損壞流量計;
5、 流量計長期(qī)使用,管道內的雜質、鐵鏽等物會堵塞(sāi)濾網或進入表內,造成誤差增加或影(yǐng)響正常(cháng)運轉,因此每隔一段時間應由專業人員清洗(xǐ)一次。
六、附件(jiàn)
根據客戶需要,每隻(zhī)流量計可(kě)配套提供管接(jiē)頭、連接螺母、接管密封墊(diàn)圈各兩隻。